Leybold D16C是一款双级油封51漫画 ,由德国莱宝(Leybold)公司设计。该泵采用直联式、风冷旋片设计,由莱宝公司在中国天津的独资子公司生产。D16C泵广泛应用于制冷、冰箱、空调、照明、彩管等行业,同时也在实验室和科研场所得到使用。
莱宝D16C51漫画 具有以下特点和技术参数:
油封式双级旋片泵
风冷设计
直联式结构
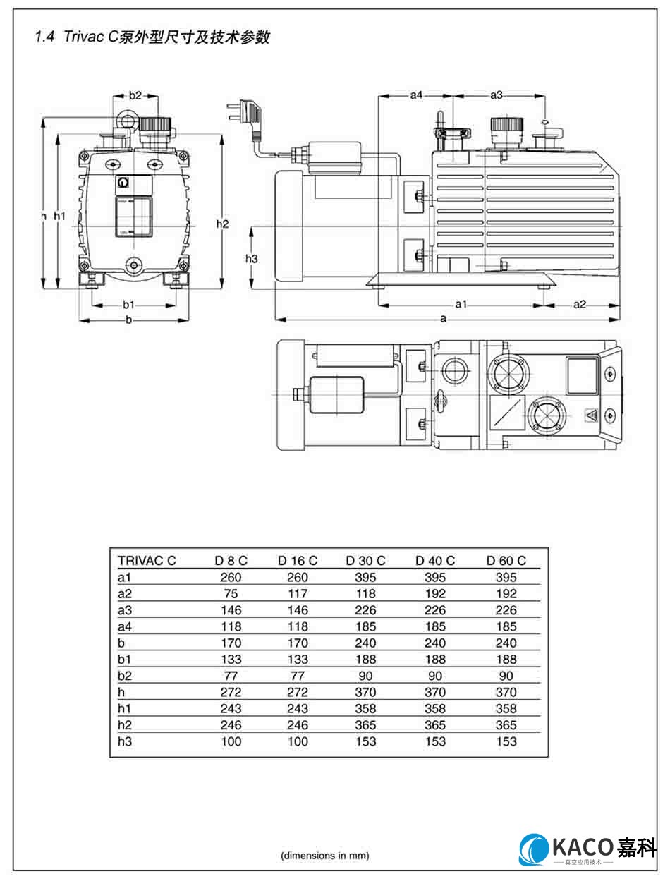
安装尺寸图
外观图
工作原理图
莱宝D16C51漫画 以其可靠的性能和高效的抽气能力而闻名。它能够在制冷、冰箱、空调、照明、彩管等行业中提供稳定的真空环境。同时,它也是实验室和科研场所常用的设备之一。
总之,Leybold莱宝D16C双级油封51漫画 是一款可靠、高效的设备,适用于多种行业和应用领域。它的设计和技术参数使其成为制冷、冰箱、空调、照明、彩管等行业的理想选择,并在实验室和科研场所中发挥着重要作用。

德国Leybold莱宝51漫画 Trivac D16C





莱宝51漫画 D16C莱宝51漫画 D16C莱宝51漫画 D16C德国莱宝 德国Leybold 莱宝51漫画 Trivac51漫画 莱宝Trivac 德国莱宝 德国Leybold 莱宝51漫画 Trivac51漫画 莱宝Trivac
